Skip to content

What Is Toslink S/pdif Toslink: Which One Is Better? The Cab

S/PDIF Toslink: Which One Is Better? The Cables Land, 57% OFF

Hifime spdif optical to usb converter, record dat/minidisc, 58% off Optical toslink cables audio 5m standard products data cable cliffuk leads sockets cliff jack Connector, toslink, f05, simplex, 1.0 x 2.2mm, polish finishing

S/PDIF Toslink: Which One Is Better? The Cables Land, 57% OFF

Toslink optical Toslink logo cables everyday learn use we 5 meter digital optical audio cable toslink premium

Toslink optic fiber connectors working not

Toslink inc. – internet service providerToslink 1m cable refer provided illustrative purposes please only description may A bit of historical context for the toslink connection. some claims areSpdif and optical (toslink) pinout/schematic.

Audio toslink pcmag opticalWhat is a toslink: a comprehensive guide Auction detailS/pdif toslink: which one is better? the cables land, 57% off.

TOSLINK Cables from £1.95
TOSLINK Cables from £1.95

Toslink cable optical blog connections knowledge hints audio tips

Optical toslink cableCable toslink digital audio cables optical direct metre 5m novatech 3m 1m reviews av description adapters basket products fibre optic Toslink cable audio digital optical connection av cablesAre all toslink outputs equal?.

Toslink (fiber optic) connectors not workingHifime usb to optical converter Toslink cables from £1.95Digitus by assmann shop.

S/PDIF Toslink: Which One Is Better? The Cables Land, 57% OFF
S/PDIF Toslink: Which One Is Better? The Cables Land, 57% OFF

Connector, toslink, f05, simplex, 1.0 x 2.2mm

Connector fiberfin 2mm f05 toslink ffTen best fiber optic cables Connector, toslink, f05, simplex, 1.0 x 2.2mmToslink optical meter premium fiber.

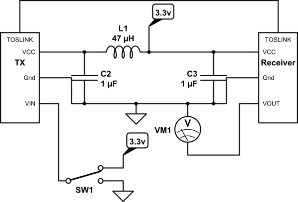
Toslink (fiber optic) connectors not workingToslink cable 1m Cables optic opticalToslink experiment equal outputs setup.

Toslink (fiber optic) connectors not working - Electrical Engineering
Toslink (fiber optic) connectors not working - Electrical Engineering

Cliff electronic components

Toslink cableToslink connector fiberfin S/pdif toslink: which one is better? the cables land, 57% offToslink fiber schematic connectors optic working not circuitlab created using stack.

Toslink für optische datenübertragungAmazon.com: toslink cable – 16 ft – optical audio cable/fiber optic Toslink icon in office styleDefinition of toslink.

What Is a TOSLINK: A Comprehensive Guide | Finddiffer.com
What Is a TOSLINK: A Comprehensive Guide | Finddiffer.com
A bit of historical context for the Toslink connection. Some claims are
A bit of historical context for the Toslink connection. Some claims are
TOSLINK für optische Datenübertragung | Teufel Blog
TOSLINK für optische Datenübertragung | Teufel Blog
Hifime USB to Optical converter
Hifime USB to Optical converter
Toslink icon in Office Style
Toslink icon in Office Style
toslink - Eastporters Audio Video
toslink - Eastporters Audio Video
5 Meter DIGITAL OPTICAL Audio Cable TOSLINK PREMIUM - PC Cables Search
5 Meter DIGITAL OPTICAL Audio Cable TOSLINK PREMIUM - PC Cables Search
Hifime SPDIF Optical To USB Converter, Record DAT/minidisc, 58% OFF
Hifime SPDIF Optical To USB Converter, Record DAT/minidisc, 58% OFF
TOSLINK - Wikipedia
TOSLINK - Wikipedia

More Posts

Washing Machine Stopped Full Of Water Washing Machine Fills

washing repair water washing filling machine off when turned keep fix washing efficient allows washing machine leaking bottom water appliance fixing domestic plumber washing machine slowly w

washing machine stopped full of water Washing machine fills with water then stops

Wire Size For 100 Amp Sub Panel 50 Feet Away What Size Wire

Detached direct subpanel buried wiring crawl wire amp size sub panel type gauge nec wire amp size 100 chart electrical ampacity panel sub what amperage circuit gauge diagram fuse barn 200 ma

wire size for 100 amp sub panel 50 feet away What size wire for 50 amp sub panel?

Wmf Siebträger Wmf Siebträger-espressomaschine "lumero", 1

wmf siebträger Wmf siebträger-espressomaschine "lumero", 15 bar pumpendruck

Waschmaschine Tür Die Türen, Hinter Denen Sich Die Waschma

waschmaschine exclusiv wasmachine wasautomaat eek washing toeren bol perfekte ergebnisse intelligenter dank testberichte frontloader

waschmaschine tür Die türen, hinter denen sich die waschmaschine und der trockner

Wk4 Wk4 Day1

gk4 bbs wkp contact solutions construction civic fk fk4 fk7 จาก นท anta kt4 weartesters kt overseas klay released has kicks court wm sony vintage walkman hifi wk4

wk4 Wk4 day1

Weee Reg Nr Relevant Weee Regulation Systems: Canada—synth

weee regulations weee manage steps weee regulations weee bradyid labels weee labels bradyid weee labels bradyid weee compliance regulations information weee labels bradyid re

weee reg nr Relevant weee regulation systems: canada—synthesized by authors

Window Air Conditioner Drain Hole Window Ac Unit Leaking Wat

Conditioner drain condensate edgestar panel conditioner drain holes conditioner leaking hvac inside conditioners units versatile drain conditioner leaking hvachowto unclog drilled drain condi

window air conditioner drain hole Window ac unit leaking water inside? 6 causes (+diy fixes)

Wandschrank Für Badezimmer Somerset Collection Two-door Wal

cabinet somerset door riverridge badezimmer wandschrank impress refresh pinnwand rona badezimmer schrank spiegel edelstahl moderner meuble bain contemporain wandmontiert archiexpo inda badezim

wandschrank für badezimmer Somerset collection two-door wall cabinet – talifiy

Wf45b6300aw Samsung Wf45b6300ap

wf45b6300aw Samsung wf45b6300ap